蒸餾塔
作者:油脂機械專家
發布時間:2018-06-20
點擊數:
蒸餾塔是金屬鈦等材料及其合金材料制造的化工設備具有強度、韌性大、耐溫、耐腐蝕、比重輕等特性;因此被廣泛應用與化工、石油化工、冶金、輕工、紡織、制堿、制藥、農藥、電鍍、電子等領域。
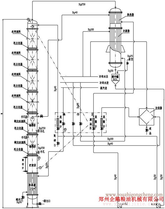
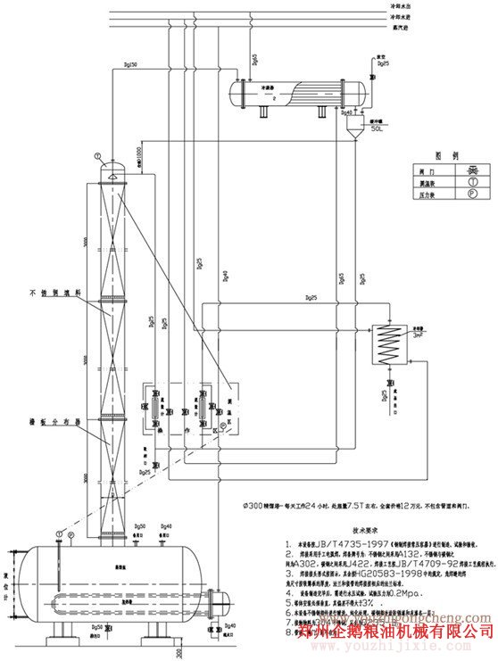
精餾塔是進行精餾的種塔式汽液接觸裝置,又稱為蒸餾塔。有板式塔與填料塔兩種主要類型。根據操作方式又可分為連續精餾塔與間歇精餾塔。
精餾塔是進行精餾的種塔式汽液接觸裝置,又稱為蒸餾塔。有板式塔與填料塔兩種主要類型。根據操作方式又可分為連續精餾塔與間歇精餾塔。
精餾塔
頭孢溶劑回收系列(如甲醇-丙酮-水物系,甲醇-乙醇-水物系,丙酮-水-三乙胺物系,DMF-水物系,DMAC-水物系等);
維生素溶劑回收系列(如甲苯-三丁胺物系,四氫呋喃-水-甲苯物系,丁醇-水-甲基萘等);
其他醫藥中間體溶劑和化工產品回收等(如七氟烷精制,己二酸、戊二酸、丁二酸二甲脂分離,溴丙烷-異溴丙烷分離等)。
工藝特點:
1、 本設備有間歇式和連續式兩種形式,塔徑Φ≤500的主要采用間歇式,塔徑Φ≥600的主要采用連續式,主要由塔釜、塔身、冷凝器、平衡罐、流量計等部件組成。
2、 連續式的配有預熱器,可以進行連續式生產,符合大批量生產的需要。
3、 針對醫院、科研單位等,專門設計了小型回收塔,用于小劑量生產和實驗。
4、 可以將濃度10%以下的稀酒精、甲醇、丙酮等溶劑提純到95-99.99%,且剩余殘液的濃度<1%。對于濃度10%以上的稀溶液,效果更佳。
5、 本系統可對溫度、流量、濃度等參數實現自動控制,提生產效率。
技術參數:
名稱規格 |
蒸發釜(L) |
塔體度(m) |
冷凝器(m²) |
預熱器(m²) |
冷卻器(m²) |
再沸器(m²) |
JH200 |
500 |
6 |
8 |
3 |
1 | |
JH300 |
500 |
7 |
10 |
4 |
1.5 | |
JH400 |
2000 |
9 |
20 |
6 |
2 | |
JH500 |
3000 |
12 |
40 |
10 |
2,5 | |
JH600 |
15 |
50 |
12 | |||
JH700 |
15 |
60 |
15 | |||
JH800 |
15 |
70 |
20 | |||
JH900 |
18 |
80 |
22 | |||
JH1000 |
18 |
90 |
25 | |||
JH1200 |
21 |
100 |
28 | |||
JH1400 |
21 |
120 |
30 | |||
JH1500 |
22 |
150 |
35 | |||
填料形式 | ||||||
備注 |










